热点/痛点/观点 连点成线,物联大事件脉络尽在掌握

海凌科新款HLK-20EMI模块,用于AC/DC 模块的前端,可用于降低环境干扰影响,减少高频噪声和电磁辐射。新款首发,单价低至7.5元,性价比高,性能优异,应用简单。
产品介绍 HLK-20EMI 模块
HLK-20EMI适用于模拟电路等对噪声比较敏感的场合。将此模块加装在 AC/DC 模块的前端, HLK-20EMI可以使产品符合 IEC/EN61000-4-5 标准中的 ±2KV(2Ω内阻)/±4KV(12Ω内阻)的 浪涌等级要求,同时都可以使配套使用的电源模块符合 CISPR22/EN55022Class B 的 EMI 限值 要求。 模块配合海凌科 AC/DC 模块电源使用,AC/DC 模块电源的最大输入电压应不大于 EMC 滤波器 的最大工作电压,AC/DC 模块电源的最大输入电流应小于 EMC 滤波器的额定工作电流。
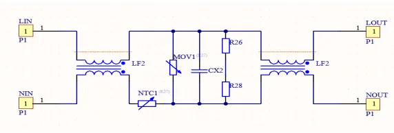
工作原理 HLK-20EMI 模块
HLK-20EMI EMC滤波器利用模块内部的电感、电容等多种元器件集成的滤波网络,降低电源线路中的噪声影响,衰减电源线传入的外部干扰(如电网浪涌、射频干扰),从而高效提升电源模块抗干扰能力。 (内部结构原理图) 产品特点 1. 体积小 2. 抑制交流电源线浪涌设计,实现一级粗保护 3. 配套电源使用可使电源 EMI符合 CISPR22/EN55022 Class B 限值要求3) 4. 高性价比 5. 温度特性好

产品特点 HLK-20EMI 模块
体积小巧 使用简单 HLK-20EMI模块EMC滤波器体积小巧,大小仅20.32X20.32mm,大幅度节省设计空间,即插即用,使用简单,可适用于多个系列电源模块,应用广泛。 高效滤除电路干扰 HLK-20EMI模块抑制交流电源线上的浪涌,提供一级粗保护,从而确保电源的电磁干扰(EMI)符合CISPR22/EN55022 Class B的限值要求。 自研自产 性价比高 海凌科拥有自研自产工厂,没有中间商赚差价,性价比非常高。HLK-20EMI模块单价7.5元,量大价更优,同时支持定制。 品牌保障 售后无忧 海凌科深耕电源模块领域十多年,品牌保障,售后无忧,一旦出现产品问题提供无偿退货、换货以及退款等服务。
产品应用 HLK-20EMI 模块

HLK-20EMI模块高效滤除交流电路干扰,可适用于海凌科20W以以下的ACDC电源模块,下面列出了目前可以使用的6个系列,欢迎随时询价以及了解更多产品信息~
上一篇:十轴姿态陀螺仪 检测物体运动角度和姿态变化 下一篇:5.99元24G人体存在感应雷达模块 让普通灯光实现人在感应