深耕行业十数载,累计服务超过10W+客户,WiFi模组、蓝牙模组、电源模块等产品远销80多个国家和地区,为客户提供专业可靠的IoT模块产品、强大的技术支持和贴心的售后服务保障,产品广泛的应用于智能家居、智能医疗、智能办公、汽车电子及工业控制等领域。

微信扫码咨询
微信扫码前往商城
简介:
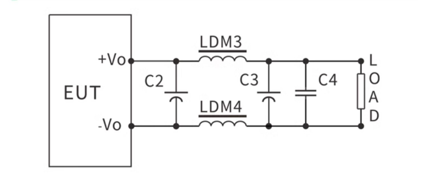
UR(A)B_ZP-10MR3 系列产品输出功率为 10W,4:1宽电压输入范围,效率高达 91%,1500VDC 的常规隔离电压,允许工作温度-40℃to+85℃,具有输入欠压保护,输出过压、过流、短路保护功能,裸机满足 CISPR32/EW550320LASA,广泛应用于医疗、工控、电力、仪器仪表、通信、铁路等领域。
特点:
超宽范围输入(4:1),输出10W
转换效率 91%(TXR)
隔离电压 1500Vdc(典型值)
超低待机功耗:0.036W
超快速启动:1ms(典型值)
工作温度范围:-40°C~+85°C输入欠压,输出短路,过流,过压
金属外壳,输出纹波低
国际标准引脚,PCB 板直插安装








VR(A)B_LD-10WR3系列技术手册V1.3.pdf
UR(A)B_LD-10WR3系列技术手册V1.2.pdf
URB2440YMD-10WR3技术手册V1.pdf
VRB_S-10WR3系列技术手册V1.1.pdf
URB_S-10WR3系列技术手册V1.0.pdf
UR(A)B_ZP-10WR3系列技术手册V1.1.pdf
UR(A)B_YMD-10WR3系列技术手册V1.7.pdf
UR(E)F_YMD-10WR3系列技术手册V1.0.pdf
VR(A)B_ZP-10WR3系列技术手册V1.0.pdf
URF_S-10WR3系列技术手册V1.0.pdf